Prodotto temporaneamente non disponibile, tornerà presto.
Quantità minima : 1
Descrizione
Rotazione di 180°
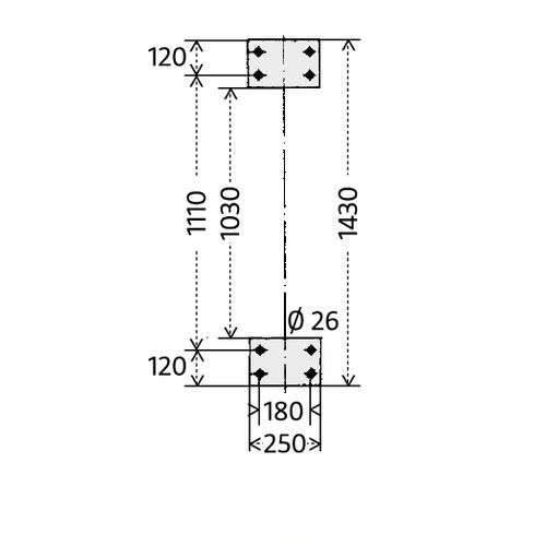
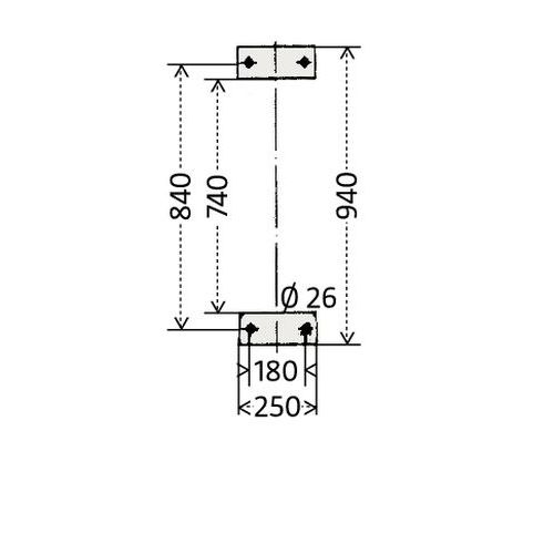
Gru a muro con braccio sopraelevato.
Per un'altezza di sollevamento massima rispetto all'altezza disponibile.
Prevedere un'attrezzatura di movimentazione per scaricare il prodotto dal camion, in assenza di banchina di scarico. Fissaggio con bulloni HR M24 di qualità 10.9 (non forniti). Prodotto venduto su richiesta. Non si accettano né resi, né sostituzioni.
Realizzato in Germania
Portata (kg) : 1600
CE
Benefici ambientali e/o sociali
Questo imballaggio è riciclato in tutto o in parte, ossia è composto interamente o in parte da materiali riciclati (fare riferimento alla scheda tecnica per maggiori informazioni).
Caratteristiche
Informazioni
Descrizione
Gru a parete - Portata 1.600 kg
Marchio
Vetter Krantechnik
Confezione
unità
Dati tecnici
Modello
Gru a parete MPI
Portata (kg)
1600 kg
IPE larghezza
150 mm
Garanzia Cliente
3 anni
Angolo rotazione (°)
180 °
Tipo d'aggancio
8 punti
Origine del prodotto
Realizzato in Germania
Imballaggi riciclati (%)
20 %
Documentazione
Seleziona il tuo prodotto per consultare i documenti disponibili
Le nostre recensioni sono autentiche e affidabili. Per saperne di più sulle nostre procedure di autenticazione e controllo, clicchi qui.